V-spännare M4, bearbetn.bar
Artikelnummer:80055
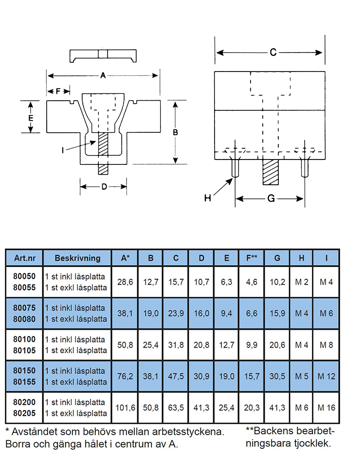
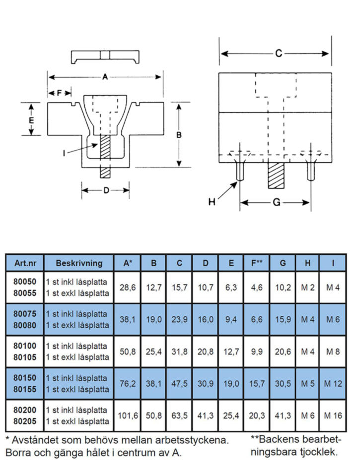
Nu kan man bearbeta även runda och icke rätlinjiga detaljer med den nya V-spännaren från Mitee-Bite. V-spännare med mjuka bearbetningsbara backar finns i fem olika storlekar. Vid bearbetning av backarna fixeras dessa enkelt med hjälp av en låsplatta.
Du måste vara inloggad för att se priset. Logga in
